附近先遇2026
86.0MB · 2026-04-19
9月3日,国家认监委秘书处关于印发第一批产品碳足迹标识认证专用实施规则(试行)的通知,其中,包括产品碳足迹标识认证专用实施规则光伏组件(试行)。
文件表示,本文件适用于晶体硅光伏组件产品碳足迹标识认证活动;认证模式为:初始检查+产品碳足迹核查+获证后监督。
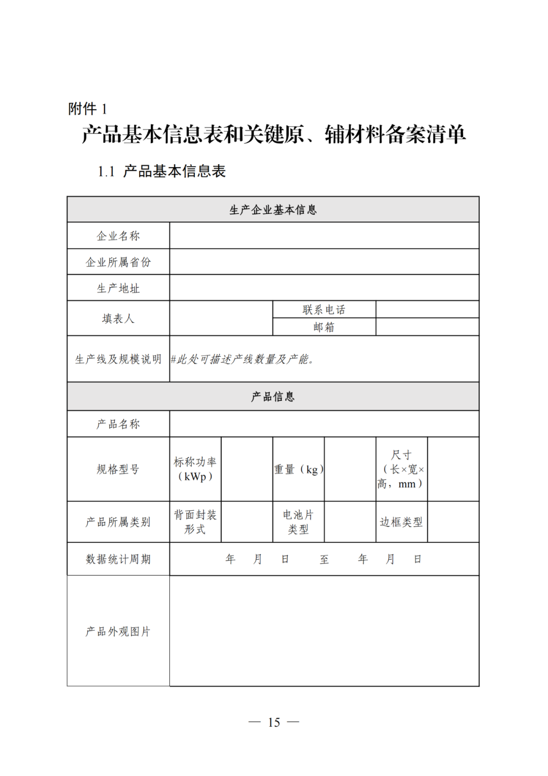
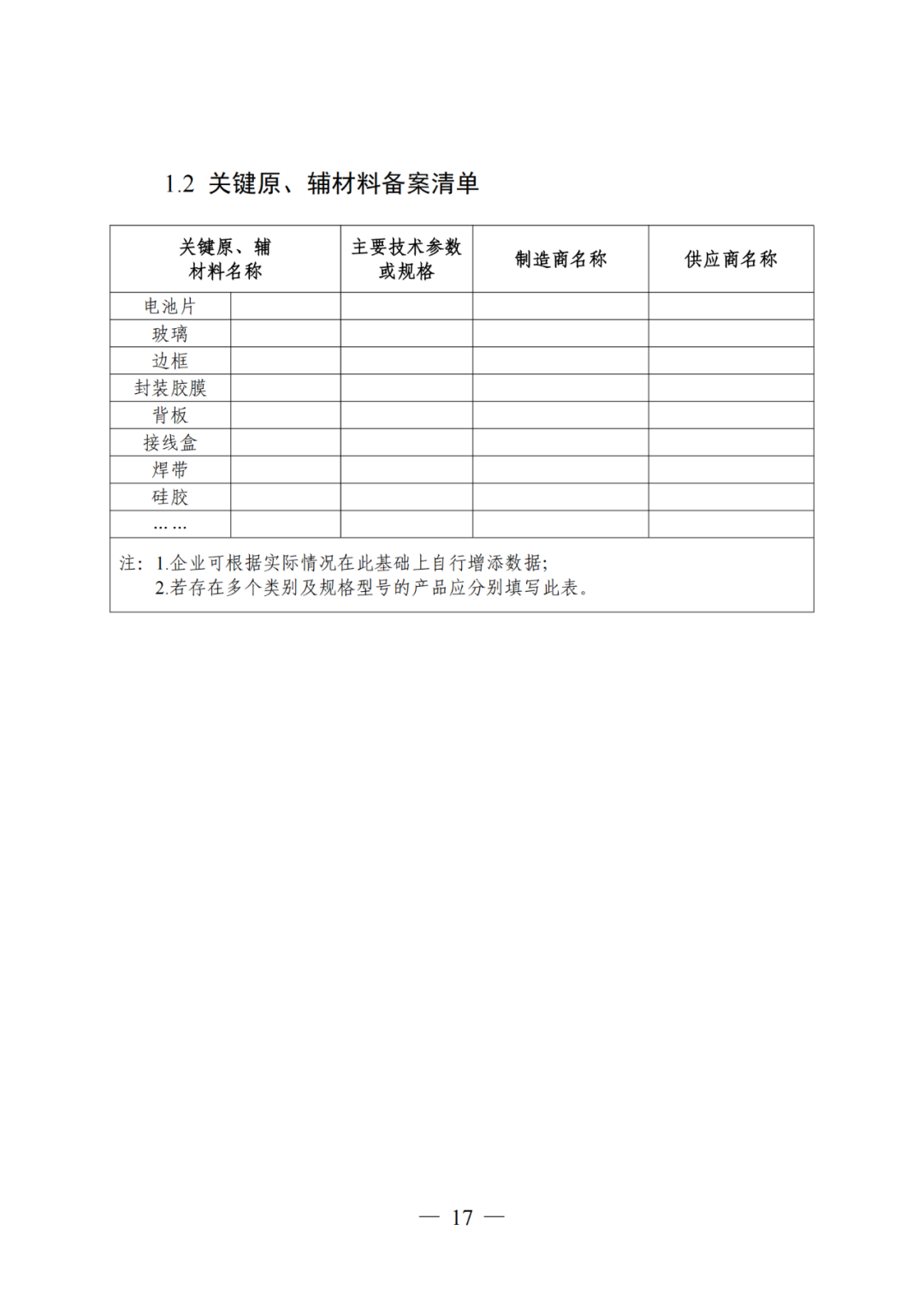
光伏组件原则上按照产品的规格型号划分认证单元。同一生产企业、同种产品、同一规格型号作为一个认证单元。其中,产品类别包含背面封装形式、电池片类型、边框类型三个参数,规格型号包括标称功率、重量、尺寸(长×宽×高)三个参数。产品的背面封装形式、电池片类型、边框类型、标称功率、重量、尺寸(长×宽×高)等存在差异时,应作为不同认证单元。同一生产企业、同种产品,但生产场地不同时,应作为不同认证单元。每个认证单元产品的详细认证范围应在认证证书或其附件中予以界定。
原文见下:









































